время работы

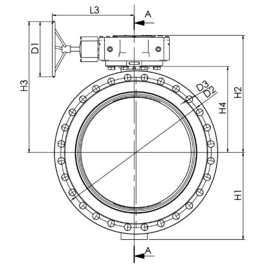
Vexve запорные дисковые затворы

Δp = 16 bar, с ручным редуктором, фланец / фланец, DN 900-1000, стандартнопроходной 

Материалы:


Корпус DN 900-1000 : Сталь P355NL1 (1.0566)
Диск DN 900-1000 : Нержавеющая сталь, GX5CrNiMo19-11-2 (1.4408)
Уплотнение DN 900-1000 : Alloy 825 / 1.4542 + HCr покрытие
Шток DN 900-1000 : Нержавеющая сталь, X3CrNiMoN27-5-2 (1.4460)
Уплотнение штока DN 900-1000 : FPM
Подшипник DN 900-1000 : PTFE + AISI 316 net

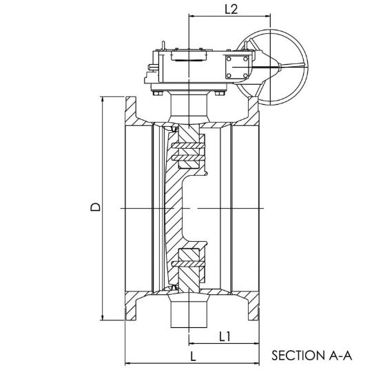
Управ­ление 

DN 900-1000 : Oснащен ручным редуктором

DN 900-1000


DN 900-1000


ТАБЛИЦА РАЗМЕРОВ