время работы

Vexve запорные дисковые затворы

Δp = 16 bar, с ручным редуктором, сварка / сварка, GOST, DN 300-800, полнопроходной 

Материалы:

Корпус DN 300-500 : Сталь, P235GH (1.0345)
DN 600-800 : Сталь P355NL1 (1.0566)
Диск DN 300-800 : Нержавеющая сталь, GX5CrNiMo19-11-2 (1.4408)
Уплотнение DN 300-800 : Alloy 825 / 1.4542 + HCr покрытие
Шток DN 300-800 : Нержавеющая сталь, X3CrNiMoN27-5-2 (1.4460)
Уплотнение штока DN 300-800 : FPM
Подшипник DN 300-800 : PTFE + AISI 316 net

Управ­ление 

DN 300-800 : Oснащен ручным редуктором

DN 900-1000


DN 900-1000


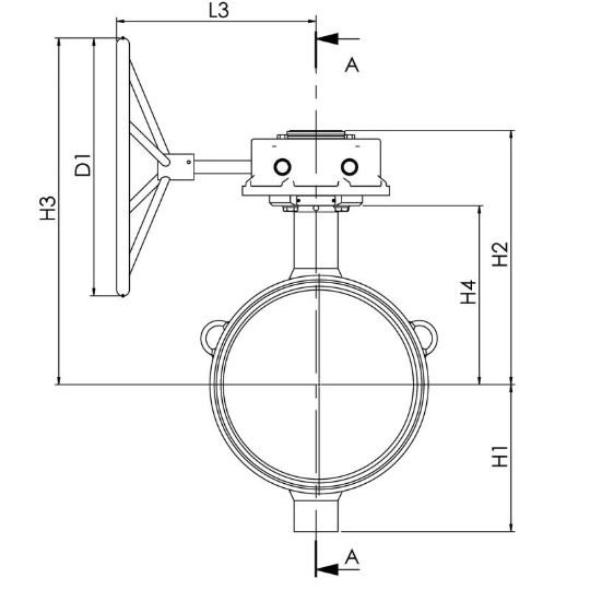
ТАБЛИЦА РАЗМЕРОВ